New World
[디지털논리회로#9,10,11]순서논리회로 본문
1. 순서논리회로의 개요(플립플롭과 종류)

조합논리회로 : 현재 시간의 입력에 의해 출력이 결정
순서논리회로 : 조합논리회로에 저장요소를 추가한 회로
순서논리회로 종류 : 비동기 순서논리회로, 동기 순서논리회로
비동기 순서회로
- 시간지연소자를 사용
- 기억능력 => 신호가 전달되려면 일정한 시간이 걸림
- 단점 : 논리게이트로 구성되는 시간지연소자는 게이트간의 피드백 때문에 예측 못한 상태로 동작하거나 불안정한 상태
동기 순서논리회로
- 클럭 펄스 (특정 순간에서만 저장요소를 내용을 변화시킬 수 잇는 신호)
- 클럭을 가진 순서논리회로 => 클럭 펄스를 시스템 전체에, 저장요소 입력에 클럭 펄스를 제공하는 동기 순서논리회로
- 플립플롭이라는 저장요소를 사용
2. 플립플롭
플립플롭(F/F : Flip Flop)
- 입력신호에 의해 상태를 바꾸도록 지시가 있을 때 현재 2진 상태를 유지하는 논리소자
- 한 비트의 2진 정보를 저장할 수 있는 장치
- 클럭 신호에 의해 출력 상태 변경
SR 래치
- 비동기 순서논리소자, 구동입력이 1일 때 출력이 바뀐다
- 두 개의 NOR 게이트나 두 개의 NAND 게이트로 구성
- 세트와 리셋의 두 입력을 가짐
| NOR 게이트로 된 SR 래치 | NAND 게이트로 된 SR 래치 |
![]() |
![]() |
![]() |
RS 플립플롭, D 플립플롭, JK F/F, T F/F, 마스터-슬레이브 F/F
- 동기 순서논리소자, 클럭신호에 의해 출력이 바뀐다
RS 플립플롭
- SR 래치의 동작을 개선
- 클럭을 가진 SR 래치 (클럭을 가진 RS 플립플롭) : SR 래치가 한 클럭펄스 발생기간 동안 입력에 응답
![]() |
![]() |
D 플립플롭
- RS 플립플롭의 문제점 해결
- 미정 상태, 불필요한 상태를 제거 => S, R이 동시에 1을 갖지 않도록
![]() |
![]() |
JK 플립플롭
- RS 플립플롭의 문제점을 개량한 상태 => but 레이스 현상 발생
![]() |
![]() |
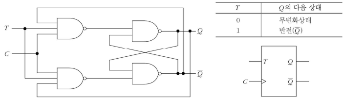
T 플립플롭 ( T : 토글에서 유래 )
- JK 플립플롭의 변화된 형태
- 두 입력을 하나로 묶어 만든 것

3. 플립플롭의 트리거링
트리거
- 플립플롭의 상태는 제어신호의 순간적인 변화에 따라 바뀜
- D 플립플롭은 제어입력으로 클럭펄스가 사용, 논리-1레벨로 변할 때마다 트리거가 된다

레벨 트리거 : 클럭펄스가 논리-1인 동안 내내 입력이 출력에 영향
에지 트리거 : 클럭펄스의 에지, 상승/하강 에지 동안 입력이 출력에 영향
- 상승 에지 : 클럭펄스에 있어서 논리상태가 논리-0 => 논리 -1
- 하강 에지 : 논리상태가 논리-1 => 논리-0
| 레벨 트리거 : 클럭펄스가 논리-1인 동안 내내 입력이 출력에 영향 |
에지 트리거 : 클럭펄스의 에지, 상승/하강 에지 동안 입력이 출력에 영향 - 상승 에지 : 논리상태가 논리-0 => 논리 -1 - 하강 에지 : 논리상태가 논리-1 => 논리-0 |
![]() |
![]() |
![]() |
![]() |
마스터-슬레이브 플립플롭
레이스 현상
- JK 플립플롭에서 발생, 입력 J, K 모두 1일 때 클럭펄스가 남아있게 되면 보수를 취하는 반복적인 현상
- 해결방안 : 에지 트리거, 마스터-슬레이브 플립플롭
마스터-슬레이브 플립플롭
정의
- 주(마스터)와 종(슬레이브)을 역할하는 두 개의 별도인 플립플롭으로 구성
- 기존의 플립플롭에 인버터를 추가하여 구성
- 동작원리 : 상승 에지 : 마스터를 세트, 하강에지 : 슬레이브에 신호를 전달
| RS 플립플롭을 이용 | D 플립플롭을 이용 | JK 플립플롭을 이용 |
![]() |
![]() |
![]() |
![]() |
![]() |
4. 순서논리회로의 분석 (=> 상태표 작성)
- 입출력 관계를 규명, 시간지연요소인 플립플롭이 포함되어 회로의 시간적 변화를 고려
- 회로동작의 시간적 변화 : 상태 (현재 상태, 다음 상태)로 표현
- 동작 : 입출력 상태와 플립플롭의 상태에 따라 결정 (플립플롭의 상태와 입출력 상태의 시간적 변화)

| 입력방정식의 유도 | 상태표 작성 |
| 플립플롭의 입력방적식 - 플립플롭의 입력 => 조합논리회로의 출력 - 조합논리회로의 출력함수가 플립플롭의 입력함수 |
상태표 (구성 : 현재상태, 입력, 다음 상태, 출력) - 순서논리회로에서 플립플롭의 상태와 입력, 출력의 변화를 나타낸 표 |
![]() |
![]() |
| D 플립플롭 | JK 플립플롭 |
![]() |
![]() |
![]() ![]() |
![]() ![]() ![]() |
상태도
- 상태표를 그림으로, 회로의 상태변화를 도형으로 나타내어 회로분석을 보다 쉽게
![]() |
![]() |
![]() |
5. 순서논리회로의 설계

1. 상태표 작성 : 주어진 설명 or 상태도로 작성
2. 플립플롭의 결정 : F/F 개수와 종류 결정
2-1. F/F 개수 결정 : 순서논리회로 내의 상태수로 결정
- 2^n의 상태를 표현하기 위해서는 n개의 F/F 필요
2-2. F/F 기호 할당 : F/F 종류 결정
- D : 데이터 전송 / T : 보수를 포함 / JK : 종류가 다양
3. 입력방정식
의미 : 조합논리회로의 출력, F/F 입력조건에 대한 부울함수
분석 : 입력방정식을 구해 상태표 작성 (현재-다음상태)
설계 : 현재-다음 상태, 입력조건 필요
4. F/F 여기표

'Self-Study > Study' 카테고리의 다른 글
| [디지털논리회로#14, 15] 기억장치와 PLD (0) | 2022.05.22 |
|---|---|
| [디지털논리회로#12, 13] 레지스터와 카운터 (0) | 2022.05.22 |
| [디지털논리회로#6,7,8]조합논리회로 (0) | 2022.05.21 |
| [디지털논리회로#4,5]부울함수의 간소화 및 구현 (0) | 2022.05.21 |
| [디지털논리회로#2,3]논리게이트와 부울대수 (0) | 2022.05.21 |





























